Откройте для себя мир комфорта и удовольствия с душевой стойкой Grohe Grohtherm. Возьмите под контроль каждую деталь вашего утреннего душа и насладитесь идеальной настройкой благодаря термостатическому смесителю. Немецкое качество и стильный дизайн славятся во всем мире, и наша продукция не стала исключением. Душевая стойка с термостатическим смесителем обеспечивает неизменный комфорт и безопасность для всей семьи.
Почему выбирают душевые стойки Grohe Grohtherm
- Безупречное немецкое качество: произведено в Германии с использованием лучших материалов.
- Идеальная температура: термостат автоматически поддерживает комфортную температуру воды.
- Безопасность превыше всего: наличие ограничителя температуры защищает от ожогов.
- Экономичный расход: функции экономии расхода воды позволят снизить затраты.
- Простота в уходе: специальное покрытие отталкивает известковый налет.
Краткая информация об изделии
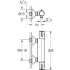
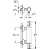
Душевая стойка Grohe 26381001 имеет высоту 73,6 см и весит 3,5 кг. Выполнена из латунь в сочетании с отдельными пластиковыми элементами, обеспечивая как надежность, так и элегантный внешний вид. Включает в себя верхний душ размером 21 см с вылетом 39 см и лейку диаметром 10 см, которую можно переключать между двумя режимами струи. Комплект дополнен пластиковым шлангом длиной 125 см и прочным держателем. На изделие предоставляется 1 год гарантии.
Термостатический смеситель Grohe 34558000 изготовлен из латуни и оснащен глянцевым покрытием, термостатическим картриджем и встроенным клапаном для предотвращения обратного потока воды. Подводка к системе составляет 1/2 дюйма.
Что нужно знать перед покупкой
Прежде чем приобрести это изделие, обратите внимание, что душевая стойка не регулируется по высоте, однако смеситель уже включен в комплект, что экономит ваши средства на дополнительные покупки. Полный гарнитур станет идеальным дополнением к вашей ванной комнате, подчеркивая современный стиль и функциональность.
Для покупки товара в нашем интернет-магазине выберите понравившийся товар и добавьте его в корзину. Далее перейдите в Корзину и нажмите на «Оформить заказ» или «Быстрый заказ».
Когда оформляете быстрый заказ, напишите ФИО, телефон и e-mail. Вам перезвонит менеджер и уточнит условия заказа. По результатам разговора вам придет подтверждение оформления товара на почту или через СМС. Теперь останется только ждать доставки и радоваться новой покупке.
Оформление заказа в стандартном режиме выглядит следующим образом. Заполняете полностью форму по последовательным этапам: адрес, способ доставки, оплаты, данные о себе. Советуем в комментарии к заказу написать информацию, которая поможет курьеру вас найти. Нажмите кнопку «Оформить заказ».
Оплачивайте покупки удобным способом. В интернет-магазине доступно 3 варианта оплаты:
- Наличные при самовывозе или доставке курьером. Специалист свяжется с вами в день доставки, чтобы уточнить время и заранее подготовить сдачу с любой купюры. Вы подписываете товаросопроводительные документы, вносите денежные средства, получаете товар и чек.
- Безналичный расчет при самовывозе или оформлении в интернет-магазине: карты Visa и MasterCard. Чтобы оплатить покупку, система перенаправит вас на сервер системы ASSIST. Здесь нужно ввести номер карты, срок действия и имя держателя.
- Электронные системы при онлайн-заказе: PayPal, WebMoney и Яндекс.Деньги. Для совершения покупки система перенаправит вас на страницу платежного сервиса. Здесь необходимо заполнить форму по инструкции.
Экономьте время на получении заказа. В интернет-магазине доступно 4 варианта доставки:
- Курьерская доставка работает с 9.00 до 19.00. Когда товар поступит на склад, курьерская служба свяжется для уточнения деталей. Специалист предложит выбрать удобное время доставки и уточнит адрес. Осмотрите упаковку на целостность и соответствие указанной комплектации.
- Самовывоз из магазина. Список торговых точек для выбора появится в корзине. Когда заказ поступит на склад, вам придет уведомление. Для получения заказа обратитесь к сотруднику в кассовой зоне и назовите номер.
- Постамат. Когда заказ поступит на точку, на ваш телефон или e-mail придет уникальный код. Заказ нужно оплатить в терминале постамата. Срок хранения — 3 дня.
- Почтовая доставка через почту России. Когда заказ придет в отделение, на ваш адрес придет извещение о посылке. Перед оплатой вы можете оценить состояние коробки: вес, целостность. Вскрывать коробку самостоятельно вы можете только после оплаты заказа. Один заказ может содержать не больше 10 позиций и его стоимость не должна превышать 100 000 р.

































































































































