Система инсталляции для унитазов Cersanit Link Pro — это идеальное решение для современного санузла, где практичность и надежность имеют первостепенное значение. Благодаря своей компактности, ширина конструкции всего 40 см, инсталляция выдерживает нагрузку до 400 кг. Корпус из стали, покрытый матовой краской, предотвращает скольжение рук, облегчая процесс установки. Инсталляция снабжена всеми необходимыми крепежами, а регулируемая высота позволяет адаптировать её под ваши нужды. Подвесные унитазы с данной системой гарантируют комфорт благодаря тихому смывному клапану, который минимизирует шум при наборе воды.
Почему выбирают Cersanit Link Pro
- Компактность и надежность в одной конструкции.
- Окрашенный стальной корпус, предотвращающий скольжение.
- Регулируемая высота для максимального удобства использования.
- Совместимость с различными кнопками смыва и унитазами.
Краткая информация об изделии
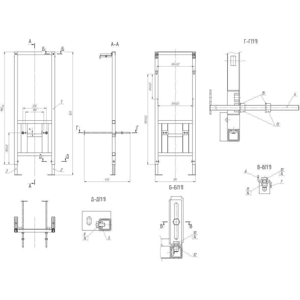
Система крепится к капитальной стене и полу, обеспечивая устойчивость и надежность. Экономный слив с двумя кнопками позволяет выбирать между полным и частичным сливом бачка, емкостью 3 и 6 литров. Подвод воды осуществляется сбоку, а система оснащена бачком для смыва, с диаметром слива 9 см. Монтажная глубина составляет 15.5 см, высота 110 см, и предусмотрены межосевые расстояния под крепежные шпильки 18 и 23 см. Продукт поставляется с гарантией на 10 лет и произведен в России и Польше.
Что нужно знать перед покупкой
Обратите внимание, что звукоизолирующая прокладка приобретается отдельно, что может повысить комфорт при использовании. Смывной бачок уже включен в комплект, что облегчает установку и снижает дополнительные расходы.
Для покупки товара в нашем интернет-магазине выберите понравившийся товар и добавьте его в корзину. Далее перейдите в Корзину и нажмите на «Оформить заказ» или «Быстрый заказ».
Когда оформляете быстрый заказ, напишите ФИО, телефон и e-mail. Вам перезвонит менеджер и уточнит условия заказа. По результатам разговора вам придет подтверждение оформления товара на почту или через СМС. Теперь останется только ждать доставки и радоваться новой покупке.
Оформление заказа в стандартном режиме выглядит следующим образом. Заполняете полностью форму по последовательным этапам: адрес, способ доставки, оплаты, данные о себе. Советуем в комментарии к заказу написать информацию, которая поможет курьеру вас найти. Нажмите кнопку «Оформить заказ».
Оплачивайте покупки удобным способом. В интернет-магазине доступно 3 варианта оплаты:
- Наличные при самовывозе или доставке курьером. Специалист свяжется с вами в день доставки, чтобы уточнить время и заранее подготовить сдачу с любой купюры. Вы подписываете товаросопроводительные документы, вносите денежные средства, получаете товар и чек.
- Безналичный расчет при самовывозе или оформлении в интернет-магазине: карты Visa и MasterCard. Чтобы оплатить покупку, система перенаправит вас на сервер системы ASSIST. Здесь нужно ввести номер карты, срок действия и имя держателя.
- Электронные системы при онлайн-заказе: PayPal, WebMoney и Яндекс.Деньги. Для совершения покупки система перенаправит вас на страницу платежного сервиса. Здесь необходимо заполнить форму по инструкции.
Экономьте время на получении заказа. В интернет-магазине доступно 4 варианта доставки:
- Курьерская доставка работает с 9.00 до 19.00. Когда товар поступит на склад, курьерская служба свяжется для уточнения деталей. Специалист предложит выбрать удобное время доставки и уточнит адрес. Осмотрите упаковку на целостность и соответствие указанной комплектации.
- Самовывоз из магазина. Список торговых точек для выбора появится в корзине. Когда заказ поступит на склад, вам придет уведомление. Для получения заказа обратитесь к сотруднику в кассовой зоне и назовите номер.
- Постамат. Когда заказ поступит на точку, на ваш телефон или e-mail придет уникальный код. Заказ нужно оплатить в терминале постамата. Срок хранения — 3 дня.
- Почтовая доставка через почту России. Когда заказ придет в отделение, на ваш адрес придет извещение о посылке. Перед оплатой вы можете оценить состояние коробки: вес, целостность. Вскрывать коробку самостоятельно вы можете только после оплаты заказа. Один заказ может содержать не больше 10 позиций и его стоимость не должна превышать 100 000 р.

































































































































