Система инсталляции Geberit Duofix UP 320 111.300.00.5 с кнопкой Sigma 20 115.882.JQ.1 — это идеальное решение для тех, кто стремится к современным и эстетически привлекательным ванным комнатам. Эта технология не только улучшает внешний вид пространства, но и способствует более рациональному использованию площади ванной. Самонесущая рама с порошковой окраской и оцинкованными стойками обеспечивает долговечность и прочность конструкции. Особое внимание уделено деталям: сварные соединения и завальцованные крепления обеспечивают исключительный уровень безопасности и надежности.
Почему выбирают инсталляции Geberit Duofix
- Выдерживает нагрузку до 400 кг, что гарантирует долговечность использования.
- Эффективный смыв с низким расходом воды — всего 2,5 литра в секунду.
- Полная гарантия на все элементы, включая уплотнительные материалы, даже при коммерческом использовании.
- Быстрый и удобный доступ к настройкам благодаря инновационному дизайну.
- Сверхбыстрое наполнение бачка и бесшумный впускной клапан Unifill для комфортного и тихого использования.
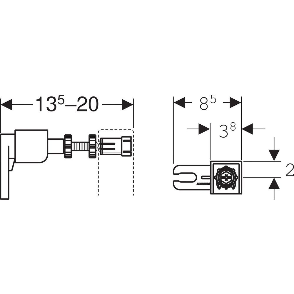
Краткая информация об изделии
Система инсталляции крепится в капитальную стену и пол, обеспечивая надежную фиксацию. Объем смывного бачка настраивается в диапазоне от 3 до 7.5 литров, что даёт возможность настраивать экономию воды в зависимости от ваших нужд. Диаметр слива составляет 9 см, а монтажный размер — 12 см в глубину и 112 см в высоту. Межосевое расстояние для крепежа шпилек регулируется от 18 до 23 см, предоставляя универсальность в установке. Все обслуживание системы происходит через окно смывной панели, что исключает необходимость демонтажа.
Что нужно знать перед покупкой
Важно помнить, что звукоизолирующая прокладка не входит в комплект поставки и приобретается отдельно. Модель оснащена всеми необходимыми компонентами: смывной бачок и кнопка смыва входят в комплект, что делает установку более простой и удобной.
Для покупки товара в нашем интернет-магазине выберите понравившийся товар и добавьте его в корзину. Далее перейдите в Корзину и нажмите на «Оформить заказ» или «Быстрый заказ».
Когда оформляете быстрый заказ, напишите ФИО, телефон и e-mail. Вам перезвонит менеджер и уточнит условия заказа. По результатам разговора вам придет подтверждение оформления товара на почту или через СМС. Теперь останется только ждать доставки и радоваться новой покупке.
Оформление заказа в стандартном режиме выглядит следующим образом. Заполняете полностью форму по последовательным этапам: адрес, способ доставки, оплаты, данные о себе. Советуем в комментарии к заказу написать информацию, которая поможет курьеру вас найти. Нажмите кнопку «Оформить заказ».
Оплачивайте покупки удобным способом. В интернет-магазине доступно 3 варианта оплаты:
- Наличные при самовывозе или доставке курьером. Специалист свяжется с вами в день доставки, чтобы уточнить время и заранее подготовить сдачу с любой купюры. Вы подписываете товаросопроводительные документы, вносите денежные средства, получаете товар и чек.
- Безналичный расчет при самовывозе или оформлении в интернет-магазине: карты Visa и MasterCard. Чтобы оплатить покупку, система перенаправит вас на сервер системы ASSIST. Здесь нужно ввести номер карты, срок действия и имя держателя.
- Электронные системы при онлайн-заказе: PayPal, WebMoney и Яндекс.Деньги. Для совершения покупки система перенаправит вас на страницу платежного сервиса. Здесь необходимо заполнить форму по инструкции.
Экономьте время на получении заказа. В интернет-магазине доступно 4 варианта доставки:
- Курьерская доставка работает с 9.00 до 19.00. Когда товар поступит на склад, курьерская служба свяжется для уточнения деталей. Специалист предложит выбрать удобное время доставки и уточнит адрес. Осмотрите упаковку на целостность и соответствие указанной комплектации.
- Самовывоз из магазина. Список торговых точек для выбора появится в корзине. Когда заказ поступит на склад, вам придет уведомление. Для получения заказа обратитесь к сотруднику в кассовой зоне и назовите номер.
- Постамат. Когда заказ поступит на точку, на ваш телефон или e-mail придет уникальный код. Заказ нужно оплатить в терминале постамата. Срок хранения — 3 дня.
- Почтовая доставка через почту России. Когда заказ придет в отделение, на ваш адрес придет извещение о посылке. Перед оплатой вы можете оценить состояние коробки: вес, целостность. Вскрывать коробку самостоятельно вы можете только после оплаты заказа. Один заказ может содержать не больше 10 позиций и его стоимость не должна превышать 100 000 р.

































































































































