Система инсталляции для унитазов Grohe Rapid SL 38813001 — это надежное и практичное решение для современного санузла. Благодаря технологии QuickFix, установка этой модели становится делом легким и быстрым, не требующим дополнительного инструмента для подключения водоснабжения к инсталляции и ревизионного окна бачка. Особенность данной системы заключается в возможности установки перед стеной или в гипсокартонную перегородку, обеспечивая нагрузку более 400 кг. Grohe Rapid SL 38813001 поддерживает одиночный, двойной смыв либо режим «Старт-стоп», предоставляя гибкость и удобство в эксплуатации. Пневматическая кнопка смыва может быть установлена на любом расстоянии от системы, что позволяет создать наилучшую планировку в вашей ванной комнате.
Почему выбирают системы инсталляции Grohe Rapid SL?
- Технология QuickFix для быстрой и простой установки без инструментов.
- Прочная конструкция из стали выдерживает до 400 кг нагрузки.
- Поддержка различных режимов смыва для экономии воды.
- Возможность установки перед стеной или в гипсокартонную перегородку.
- Регулируемая конструкция для идеальной подгонки под ваши нужды.
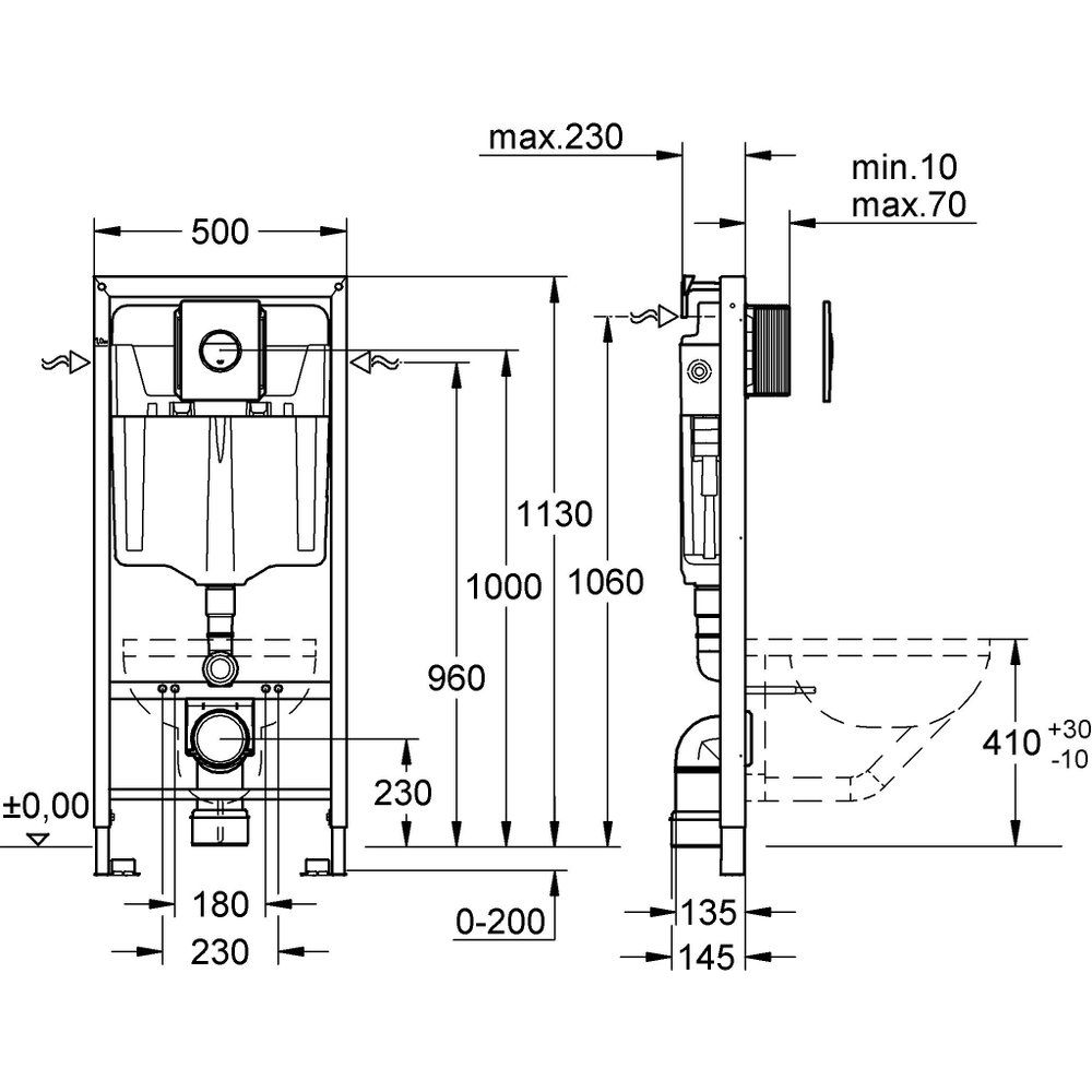
Краткая информация об изделии
Объем смывного бачка составляет 3 и 6 литров, что позволяет выбирать между полным и частичным смывом. Подвод воды предусмотрен сзади, а диаметр слива — 9 см. Монтажная глубина составляет всего 16 см, а высота — 113 см, что позволяет компактно разместить инсталляцию. Межосевое расстояние для крепежных шпилек — 18/23 см. В комплекте идут смывной бачок и пневматическая кнопка смыва. Продукт произведен в Германии и обеспечивается гарантией на один год.
Что нужно знать перед покупкой
Если вы планируете использовать эту инсталляцию с безободковым унитазом, рекомендуется дополнительно приобрести кольцо для регулировки смыва Grohe 42300000. Если у вас унитаз с высотой от крепления до конца чаши менее 205 мм, потребуется также установочный комплект Grohe Rapid SL 38779000. Обратите внимание, что звукоизолирующая прокладка не входит в комплект поставки и её нужно приобретать отдельно. Базовая комплектация включает смывной бачок и кнопку смыва.
Для покупки товара в нашем интернет-магазине выберите понравившийся товар и добавьте его в корзину. Далее перейдите в Корзину и нажмите на «Оформить заказ» или «Быстрый заказ».
Когда оформляете быстрый заказ, напишите ФИО, телефон и e-mail. Вам перезвонит менеджер и уточнит условия заказа. По результатам разговора вам придет подтверждение оформления товара на почту или через СМС. Теперь останется только ждать доставки и радоваться новой покупке.
Оформление заказа в стандартном режиме выглядит следующим образом. Заполняете полностью форму по последовательным этапам: адрес, способ доставки, оплаты, данные о себе. Советуем в комментарии к заказу написать информацию, которая поможет курьеру вас найти. Нажмите кнопку «Оформить заказ».
Оплачивайте покупки удобным способом. В интернет-магазине доступно 3 варианта оплаты:
- Наличные при самовывозе или доставке курьером. Специалист свяжется с вами в день доставки, чтобы уточнить время и заранее подготовить сдачу с любой купюры. Вы подписываете товаросопроводительные документы, вносите денежные средства, получаете товар и чек.
- Безналичный расчет при самовывозе или оформлении в интернет-магазине: карты Visa и MasterCard. Чтобы оплатить покупку, система перенаправит вас на сервер системы ASSIST. Здесь нужно ввести номер карты, срок действия и имя держателя.
- Электронные системы при онлайн-заказе: PayPal, WebMoney и Яндекс.Деньги. Для совершения покупки система перенаправит вас на страницу платежного сервиса. Здесь необходимо заполнить форму по инструкции.
Экономьте время на получении заказа. В интернет-магазине доступно 4 варианта доставки:
- Курьерская доставка работает с 9.00 до 19.00. Когда товар поступит на склад, курьерская служба свяжется для уточнения деталей. Специалист предложит выбрать удобное время доставки и уточнит адрес. Осмотрите упаковку на целостность и соответствие указанной комплектации.
- Самовывоз из магазина. Список торговых точек для выбора появится в корзине. Когда заказ поступит на склад, вам придет уведомление. Для получения заказа обратитесь к сотруднику в кассовой зоне и назовите номер.
- Постамат. Когда заказ поступит на точку, на ваш телефон или e-mail придет уникальный код. Заказ нужно оплатить в терминале постамата. Срок хранения — 3 дня.
- Почтовая доставка через почту России. Когда заказ придет в отделение, на ваш адрес придет извещение о посылке. Перед оплатой вы можете оценить состояние коробки: вес, целостность. Вскрывать коробку самостоятельно вы можете только после оплаты заказа. Один заказ может содержать не больше 10 позиций и его стоимость не должна превышать 100 000 р.

































































































































