Система инсталляции для унитазов Grossman 900.K31.01.000 — это надежное решение, которое не просто облегчит вашу жизнь, но и создаст основу для современной и функциональной ванной комнаты. Этот продукт представляет собой сочетание технологий и элегантного дизайна, идеально подходящее для скрытого монтажа под плитку. Система обеспечивает прочное крепление унитаза и легкий доступ для обслуживания, что делает ее отличным выбором для современных интерьеров.
Почему выбирают системы инсталляции Grossman
- Экономия воды благодаря настраиваемому двойному смыву
- Минимальный уровень шума с использованием звукоизолирующей прокладки
- Простота установки и удобство в эксплуатации
- Долговечность и надежность с гарантией на 10 лет
Краткая информация об изделии
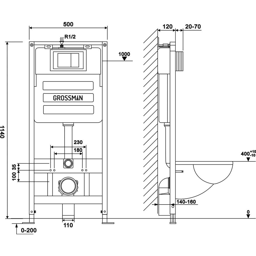
Система крепится в капитальную стену и пол, обеспечивая стабильное положение унитаза. Подвод воды осуществляется снизу, диаметр слива составляет 10 см, что гарантирует эффективный смыв. Монтажная глубина системы составляет 12 см, а высота — 114 см, что обеспечивает компактное размещение всей конструкции. Межосевое расстояние под крепежные шпильки варьируется между 18 и 23 см, позволяя гибко подходить к монтажу. Объем смывного бачка регулируется: 3 и 6 л или 4.5 и 9 л, что помогает экономить воду при полном и частичном сливе. В комплект поставки также входит звукоизолирующая прокладка.
Что нужно знать перед покупкой
Перед покупкой важно уточнить, что смывной бачок идет в комплекте, а это значит, вы получаете все необходимое для установки и запуска системы. Канализационная труба имеет регулируемую высоту, что позволяет установить унитаз на удобной для вас высоте. Антиконденсатная защита и пониженный уровень шума делают повседневное использование максимально комфортным.
Для покупки товара в нашем интернет-магазине выберите понравившийся товар и добавьте его в корзину. Далее перейдите в Корзину и нажмите на «Оформить заказ» или «Быстрый заказ».
Когда оформляете быстрый заказ, напишите ФИО, телефон и e-mail. Вам перезвонит менеджер и уточнит условия заказа. По результатам разговора вам придет подтверждение оформления товара на почту или через СМС. Теперь останется только ждать доставки и радоваться новой покупке.
Оформление заказа в стандартном режиме выглядит следующим образом. Заполняете полностью форму по последовательным этапам: адрес, способ доставки, оплаты, данные о себе. Советуем в комментарии к заказу написать информацию, которая поможет курьеру вас найти. Нажмите кнопку «Оформить заказ».
Оплачивайте покупки удобным способом. В интернет-магазине доступно 3 варианта оплаты:
- Наличные при самовывозе или доставке курьером. Специалист свяжется с вами в день доставки, чтобы уточнить время и заранее подготовить сдачу с любой купюры. Вы подписываете товаросопроводительные документы, вносите денежные средства, получаете товар и чек.
- Безналичный расчет при самовывозе или оформлении в интернет-магазине: карты Visa и MasterCard. Чтобы оплатить покупку, система перенаправит вас на сервер системы ASSIST. Здесь нужно ввести номер карты, срок действия и имя держателя.
- Электронные системы при онлайн-заказе: PayPal, WebMoney и Яндекс.Деньги. Для совершения покупки система перенаправит вас на страницу платежного сервиса. Здесь необходимо заполнить форму по инструкции.
Экономьте время на получении заказа. В интернет-магазине доступно 4 варианта доставки:
- Курьерская доставка работает с 9.00 до 19.00. Когда товар поступит на склад, курьерская служба свяжется для уточнения деталей. Специалист предложит выбрать удобное время доставки и уточнит адрес. Осмотрите упаковку на целостность и соответствие указанной комплектации.
- Самовывоз из магазина. Список торговых точек для выбора появится в корзине. Когда заказ поступит на склад, вам придет уведомление. Для получения заказа обратитесь к сотруднику в кассовой зоне и назовите номер.
- Постамат. Когда заказ поступит на точку, на ваш телефон или e-mail придет уникальный код. Заказ нужно оплатить в терминале постамата. Срок хранения — 3 дня.
- Почтовая доставка через почту России. Когда заказ придет в отделение, на ваш адрес придет извещение о посылке. Перед оплатой вы можете оценить состояние коробки: вес, целостность. Вскрывать коробку самостоятельно вы можете только после оплаты заказа. Один заказ может содержать не больше 10 позиций и его стоимость не должна превышать 100 000 р.

































































































































