Комплект унитаза и инсталляции Grohe Rapid SL — это идеальное сочетание продуманной инженерии и современного дизайна, создающее комфорт в любых условиях. Унитаз BOCCHI V-Tondo белого глянца привлекает внимание своим минималистичным безободковым стилем и оснащён механикой плавного опускания крышки, что делает его использование бесшумным и комфортным. Инсталляция Grohe Rapid SL, отличающаяся надежностью и функциональностью, обеспечивает долговечность и эффективность в эксплуатации.
Почему выбирают комплект инсталляции и унитаза BOCCHI и Grohe?
- Высокая гигиеничность благодаря инновационной безободковой конструкции.
- Технология GROHE EcoJoy для экономии воды до 50%.
- Комфортное и бесшумное управление и плавное опускание крышки с микролифтом.
- Качество материалов: изысканный фарфор и дюропласт, устойчивый к повреждениям и бытовой химии.
- Устойчивость к нагрузке до 400 кг благодаря прочной системе инсталляции.
Краткая информация об изделии
Унитаз подвесной BOCCHI V-Tondo имеет белый глянцевый безободковый дизайн и горизонтальный выпуск в стену, что облегчает уход и увеличивает гигиеничность. Комплектуется дюропластовой крышкой, не подверженной пожелтению и царапинам, сиденье легко снимается для удобной уборки. Комплект Grohe Rapid SL оборудован экономной системой смыва с двумя опциями объема бачка — 3 и 6 литров, звукоизолированной прокладкой и подводом воды, позволяющим подключение с боков и задней части.
Что нужно знать перед покупкой
Этот комплект предназначен для установки на капитальную стену с креплением к полу, что наилучшим образом обеспечивает надежность конструкции. Перед монтажом важно убедиться в наличии подводов воды с нужной стороны.
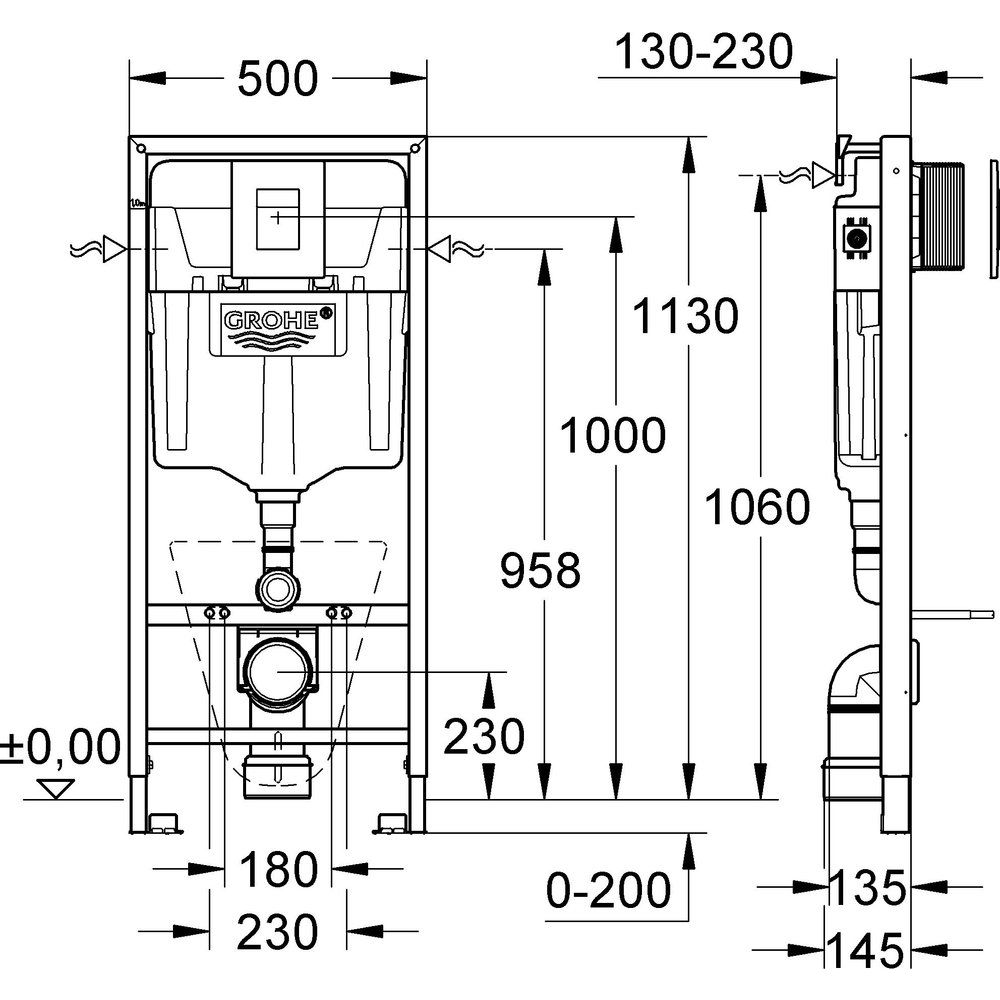
Учитывайте особенности монтажа: межосевое расстояние под шпильки 18/23 см и монтажная глубина 23 см с высотой 133 см позволяют гибкость в выборе места установки. Гарантия на керамику составляет 10 лет, а на комплектующие системы — 1 год. Итальянская керамика и немецкое качество гарантируют, что этот комплект будет служить долгие годы.
Для покупки товара в нашем интернет-магазине выберите понравившийся товар и добавьте его в корзину. Далее перейдите в Корзину и нажмите на «Оформить заказ» или «Быстрый заказ».
Когда оформляете быстрый заказ, напишите ФИО, телефон и e-mail. Вам перезвонит менеджер и уточнит условия заказа. По результатам разговора вам придет подтверждение оформления товара на почту или через СМС. Теперь останется только ждать доставки и радоваться новой покупке.
Оформление заказа в стандартном режиме выглядит следующим образом. Заполняете полностью форму по последовательным этапам: адрес, способ доставки, оплаты, данные о себе. Советуем в комментарии к заказу написать информацию, которая поможет курьеру вас найти. Нажмите кнопку «Оформить заказ».
Оплачивайте покупки удобным способом. В интернет-магазине доступно 3 варианта оплаты:
- Наличные при самовывозе или доставке курьером. Специалист свяжется с вами в день доставки, чтобы уточнить время и заранее подготовить сдачу с любой купюры. Вы подписываете товаросопроводительные документы, вносите денежные средства, получаете товар и чек.
- Безналичный расчет при самовывозе или оформлении в интернет-магазине: карты Visa и MasterCard. Чтобы оплатить покупку, система перенаправит вас на сервер системы ASSIST. Здесь нужно ввести номер карты, срок действия и имя держателя.
- Электронные системы при онлайн-заказе: PayPal, WebMoney и Яндекс.Деньги. Для совершения покупки система перенаправит вас на страницу платежного сервиса. Здесь необходимо заполнить форму по инструкции.
Экономьте время на получении заказа. В интернет-магазине доступно 4 варианта доставки:
- Курьерская доставка работает с 9.00 до 19.00. Когда товар поступит на склад, курьерская служба свяжется для уточнения деталей. Специалист предложит выбрать удобное время доставки и уточнит адрес. Осмотрите упаковку на целостность и соответствие указанной комплектации.
- Самовывоз из магазина. Список торговых точек для выбора появится в корзине. Когда заказ поступит на склад, вам придет уведомление. Для получения заказа обратитесь к сотруднику в кассовой зоне и назовите номер.
- Постамат. Когда заказ поступит на точку, на ваш телефон или e-mail придет уникальный код. Заказ нужно оплатить в терминале постамата. Срок хранения — 3 дня.
- Почтовая доставка через почту России. Когда заказ придет в отделение, на ваш адрес придет извещение о посылке. Перед оплатой вы можете оценить состояние коробки: вес, целостность. Вскрывать коробку самостоятельно вы можете только после оплаты заказа. Один заказ может содержать не больше 10 позиций и его стоимость не должна превышать 100 000 р.

































































































































